Описание
Характеристики
Отзывы
Описание
Характеристики
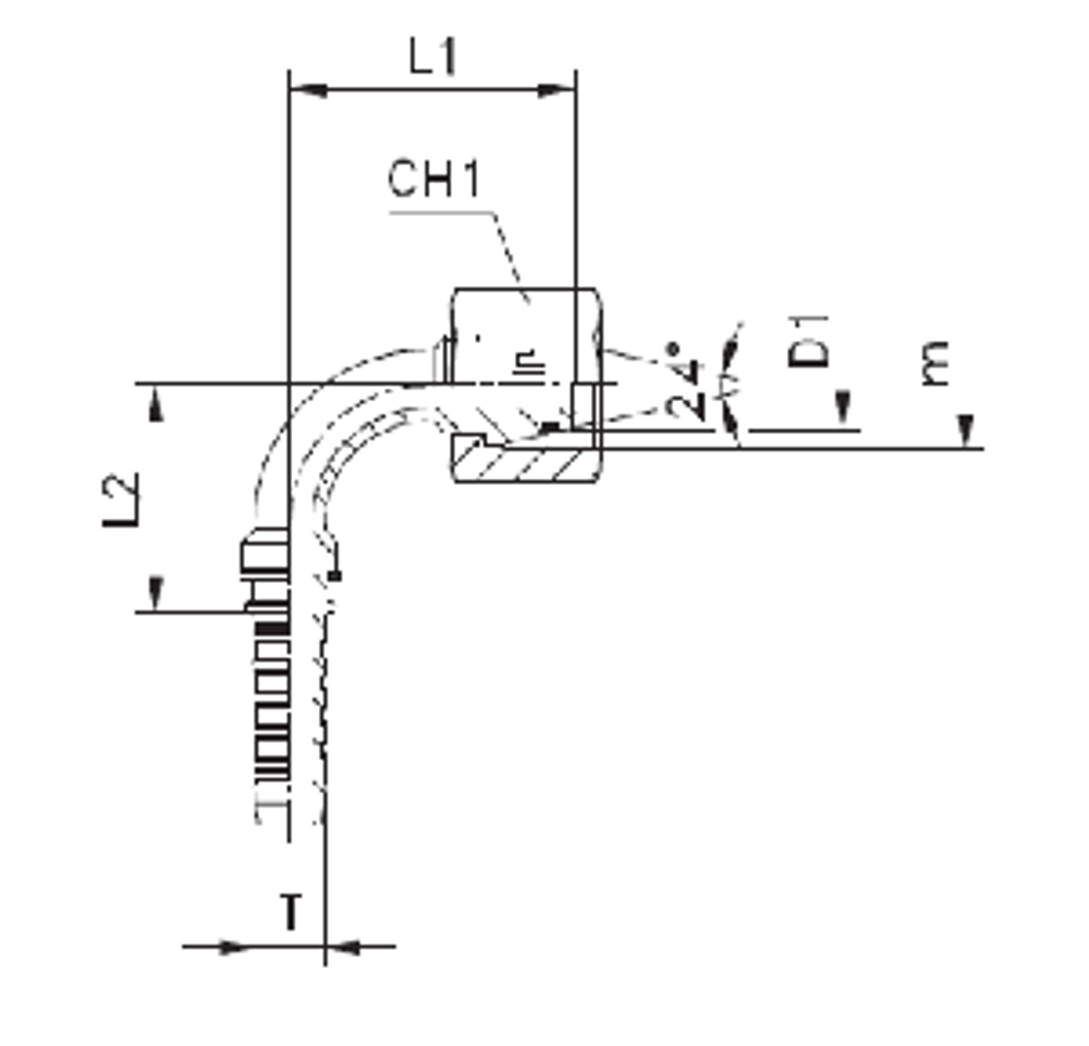
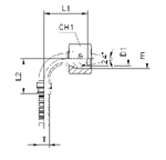
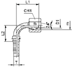
| Артикул | Бренд | CH1 | D1 | DASH | DN | ID (дюйм) | L1 | L2 | WP (bar) | Вид резьбы | М | Угол фитинга |
| 801117 | CAST | 24 | 12S | -6 | 10 | 3/8 | 37 | 32 | 445 | Внутренняя | 20x1,5 | 90 град. |
Характеристики
DASH размер продукции (рукава, фитинги, TC)
-6
WP (bar) рабочее давление
445
DN (услов внут диам рукава, фитингов)
10
Бренд
CAST
ID (дюйм)
3/8
Угол фитинга для РВД
90 град.
Вид резьбы фитинга для РВД
Внутренняя
Отзывы
Отзывов еще никто не оставлял
Остались вопросы? Напишите нам!
