Описание
Характеристики
Отзывы
Описание
Характеристики
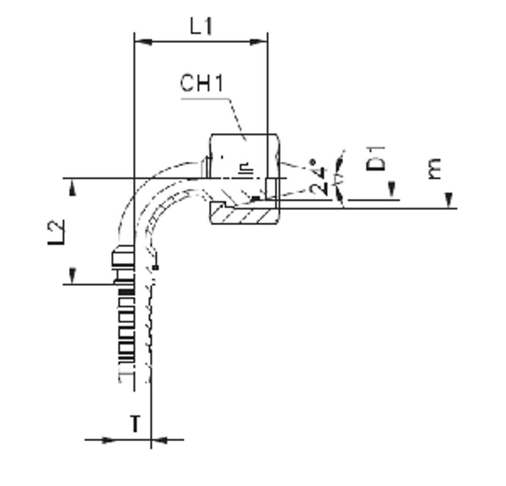
| Артикул | Бренд | CH1 | D1 | DASH | DN | ID (дюйм) | L1 | L2 | WP (bar) | Вид резьбы | М | Стандарт фитинга/муфты | Тип фитинга | Угол фитинга |
| 801133 | CAST | 60 | 38S | -20 | 31 | 1.1/4 | 82,5 | 75,5 | 210 | Внутренняя | 52x2 | Стандартный | DKO | 90 град. |
Характеристики
WP (bar)
210
внутр. диаметр (дюйм)
1.1/4
DASH
-20
DN
31
DASH размер продукции (рукава, фитинги, TC)
-20
DN условный внутренний диаметр рукава
31
WP (bar) рабочее давление
210
Тип фитинга для РВД
DKO
DN (услов внут диам рукава, фитингов)
31
Бренд
CAST
ID (дюйм)
1.1/4
Стандарт фитинга/муфты для РВД
Стандартный
Угол фитинга для РВД
90 град.
Вид резьбы фитинга для РВД
Внутренняя
Все характеристики
Отзывы
Отзывов еще никто не оставлял
Остались вопросы? Напишите нам!
